Ваш город:
Кострома
Ваш город Кострома?
Да Выбрать другой
Заказать звонок
Фильтр

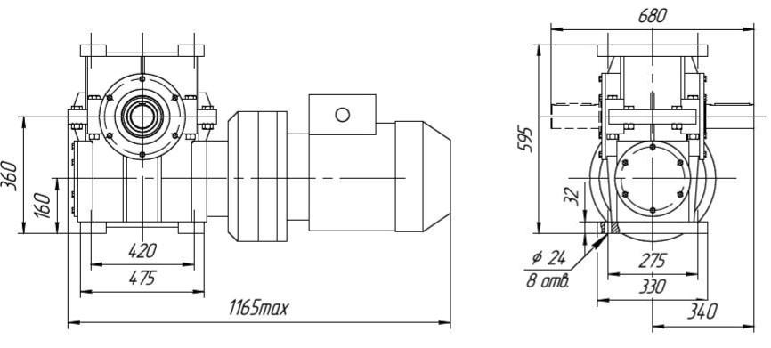
Мотор-редуктор МПЧ-200

Описание

Габаритные размеры

С опорным фланцем

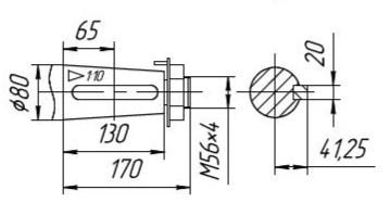
Выходной вал «Квн»

Выходной вал «Кнар»

Выходной вал «Ц»

Выходной вал с шлицевым отверстием

Выходной вал с шпоночным отверстием

Назад
Выбор города