Ваш город:
Кострома
Ваш город Кострома?
Да Выбрать другой
Заказать звонок
Фильтр

1МЧ-63АМ

Описание

Номинальная частота вращения тихоходного вала, n, об. мин 176 141 112 88 71 56 45 33 27 22 17
Передаточное число, ном. 8 10 12,5 16 20 25 31,5 40 50 63 80
Частота вращения входного вала, об/мин 1500
Значение крутящих моментов Мт, Нм 55 67 84 100 86 100 130 111 100 71 85
Термическая мощность W, Квт 1,5 1,5 1,5 1,5 1,1 1,1 1,1 0,75 0,55 0,37 0,37
Масса, кг не более 30 28 26 24

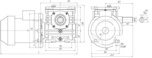
Габаритные и присоединительные размеры

Размер, мм L h D D1 D2 d l
АИР 63 416 11 160 130 110 14 113
АИР 71 455 31 200 165 130 19 123
АИР 80 477 31 200 165 13 22 133
АИР 90 513 56 250 215 180 24 133

 

Концы валов

Вариант исполнения конца тихоходного вала

Вариант сборки 56 со шпончным отверстием

Вариант сборки 56 с шлицевым отверстием

Вариант расположения двигателя

  • 1. двигатель горизонтальный, под тихоходным валом;
  • 2. двигатель горизонтальный, над тихоходным валом;
  • 3. двигатель горизонтальный, тихоходный вал вертикальный, справа от двигателя;
  • 4. двигатель горизонтальный, тихоходный вал вертикальный, слева от двигателя;
  • 5. двигатель расположен вертикально вверх, тихоходный вал горизонтальный;
  • 6. двигатель расположен вертикально вниз, тихоходный вал горизонтальный;

Исплнение по расоложению лап

Исполнение по расположению клемной коробки электродвигателя

Примерные обозначения при заказе продукции

Мотор-редуктор МЧ-80-33/40-51-Ц-1-2-1-2-У3-С-380, ГОСТ Р50968-96, где:

  • МЧ – тип редуктора -мотор-редуктор червячный;
  • 80 – межосевое расстояние;
  • 33 – номинальная частота вращения выходного вала, об/мин;
  • 40 – номинальное передаточное число;
  • 51 – вариант сборки по ГОСТ 20373-94;
  • Ц – цилиндрический конец выходного вала;
  • 1 – вариант расположения двигателя;
  • 2 – вариант крепления к приварочной плоскости;
  • 1- вариант крепления клеммой коробки двигателя;
  • 2 – категория точности по ГОСТ Р 50891-96
  • У3 – вид климатического исполнения по ГОСТ 15150-69;
  • С – наличие в редукторной части смазки;
  • 380 – номинальное напряжение сети переменного тока, 380 В;
Назад
Выбор города